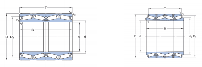
Four row tapered roller bearing OD:595mm/OD:596.9mm/OD:610mm/OD:679.45mm/OD:615.95mm
|
Designations |
Boundary Dimensions |
Basic Load Ratings |
Mass(kg) |
|||
|
d |
D |
B |
Cr |
Cor |
Refer. |
|
|
M270749DA/410/410D |
450 |
595 |
368 |
5250 |
13400 |
268 |
|
L770847DGW/ 10/ 10D |
457.2 |
596.9 |
276.225 |
4000 |
10300 |
198 |
|
BT4B 331977 E/C725 |
460 |
610 |
360 |
6100 |
16400 |
291 |
|
M272749DGW/ 10/ 10CD |
479.425 |
679.45 |
495.3 |
9100 |
23800 |
582 |
|
LM272249DGW10/ 10CD |
482.6 |
615.95 |
330.2 |
4860 |
15200 |
252 |





