High Temperature Self Aligning Ball Bearing 1208 1209
|
Designations |
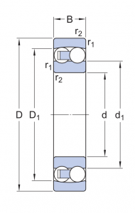
Boundary Dimensions |
Basic Load Ratings |
Mass (kg) |
||
|
d |
D |
B |
C0 |
Refer. |
|
|
1208 |
40 |
80 |
18 |
19.9 |
0.406 |
|
1209 |
45 |
85 |
19 |
22.9 |
0.452 |
For more information , please contact our email : info@cf-bearing.com




